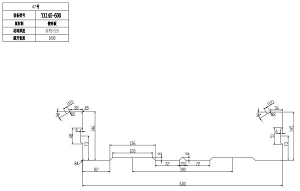
YX145-600開口樓承板
YX145-600開口樓承板鋼結構樓承板節省大量臨時性模板.省去全部或部分模板支撐 減少混凝土用量;減輕結構的永久荷載,對高層建筑與地震區有更重要的意義在運輸、堆放、安裝方面均節省大量勞動力。
訂購熱線:188-1199-6168
YX145-600開口樓承板鋼結構樓承板節省大量臨時性模板.省去全部或部分模板支撐 減少混凝土用量;減輕結構的永久荷載,對高層建筑與地震區有更重要的意義在運輸、堆放、安裝方面均節省大量勞動力。
上一個:YX36-148-740開口樓承板 下一個:YX76-313-940開口樓承板

一、YX145-600開口樓承板應用
產品廣泛用于電廠、電力設備公司、汽車展廳、鋼結構廠房、水泥庫房、鋼結構辦公室、機場候機樓、火車站、體育場館、音樂廳、大劇院、大型超市、物流中心、奧運場館體育場館等鋼結構建筑。
適應主體鋼結構快速施工的要求,能夠在短時間內提供堅定的功課平臺,并可采用多個樓層鋪設壓型鋼板,分層澆筑混凝土板的流水施工。
二、YX145-600開口樓承板主要特點
開口式樓承板,也稱作凹凸壓型鋼板,W型樓承板,U型樓承板。開口式樓承板按波高大致分為51和76這二種。 上一個:YX36-148-740開口樓承板 下一個:YX76-313-940開口樓承板


